
Zurück zur Hauptseite
http://www.soldron.de
[Verkaufs-
und
Lieferbedingungen] [Preisübersicht]
Informationen
( Montage ect.) als PDF-dokument herunterladen:
| Lieferung auf Bestellung
keine Lagerware: |
info@soldron.de
für eventuelle Rückfragen bitte mit Telefonnr: soldroN
Auch am Wochenende und nach Feierabend |
| System
OTB
Selbstregelndes Frostschutzsystem für Öltanks und Ölleitungen |
System
HWAT-Plus
Warmwassertemeraturhaltung |
System
WinterGard
Selbstregelndes Frostschutzsystem für Rohrleitungen |
System
EisStop
Selbstregelndes Frostschutzsystem für Dachrinnen und Fallrohre |
| System TraceTek | System
ViaGard
Rampen Gehwege S chnee und Eisfrei |
System
AutoSol
Selbstregelndes Fußbodenheizsystem |
Montagehinweise |
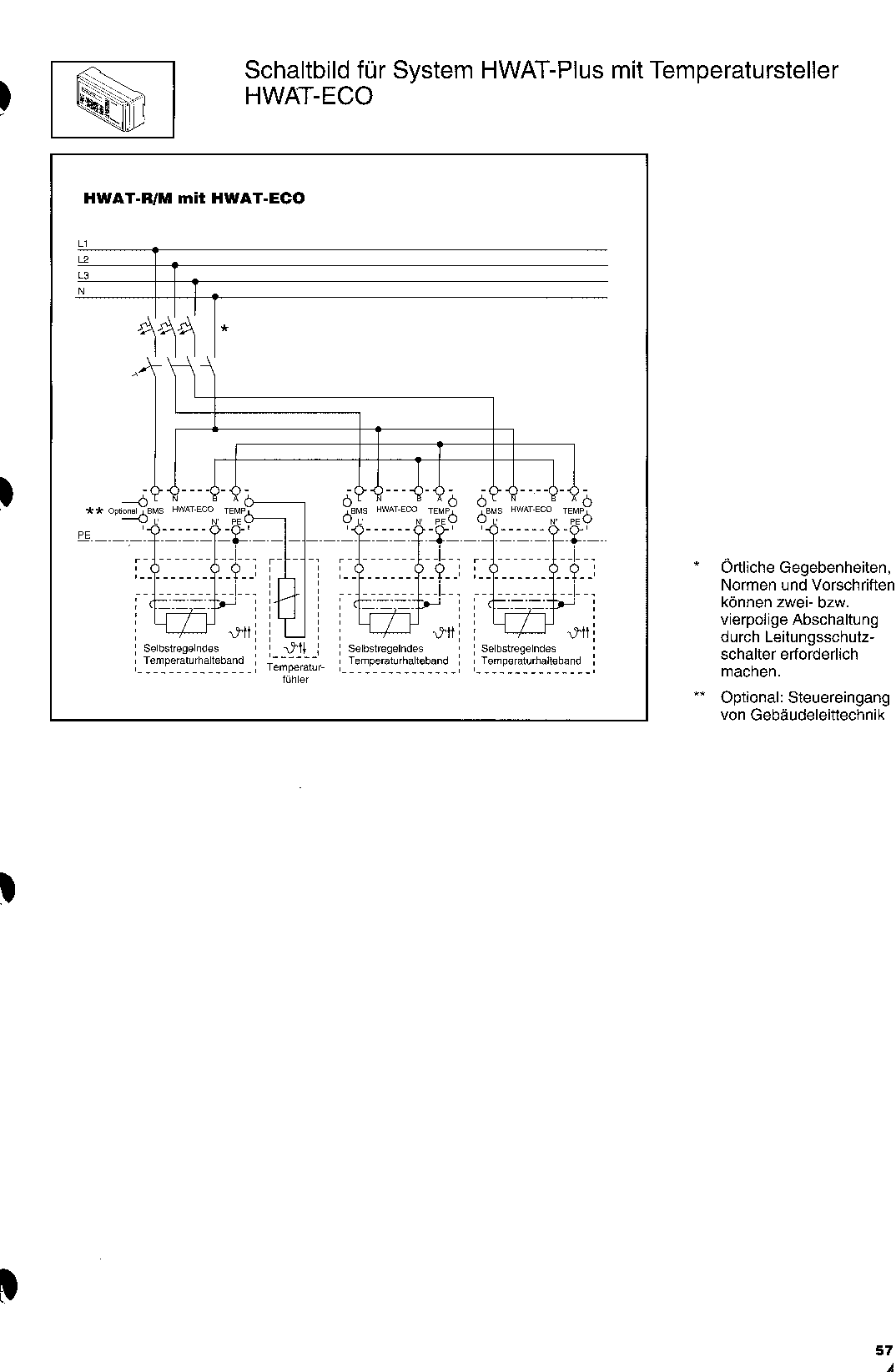
Das System HWAT-Plus gleicht Wärmeverluste an
Warmwasserleitungen
aus, so dass an jeder
Zapfstelle sofort warmes Wasser zur Verfügung steht. Das
Temperaturhalteband
wird
gestreckt auf dem Rohr verlegt und sorgt für eine
gleichmäßige
Warmwasser-Temperatur
entlang des Rohrleitungssystems.
Anwendungen
Hotels, Krankenhäuser, Wohnblocks, Bürogebäude, Schulen,
Altenheime.
Eigenschaften/Vorteile
Das System enthält keine beweglichen Teile, nur das
Temperaturhalteband,
einen
Anschluss und einen Endabschluss, eine Steuerungseinheit, und ggf.
weitere
Verbindungs-
und Abzweigkomponenten. Das heißt:
—keine Rücklaufleitungen, Ventile oder Zirkulationspumpen
—geringer Platzbedarf
—einfache und kostengünstige Montage
—wirtschaftlicher Betrieb
—niedrige Wartungskosten
Wird vor Ort abgelängt und angeschlossen
Schnelle und zuverlässige Montage und Verbindungen mit dem RayClic-System
Spart Wasser und Energie
Leistungsabgabe sinkt automatisch bei steigender Umgebungstemperatur









Zurück zur Hauptseite
http://www.soldron.de
[Verkaufs-
und
Lieferbedingungen] [Preisübersicht]